长江液压件_泸州液压油缸_液压密封_液压厂家-泸州江阳长江液压技术研究所官网欢迎您!
一. 用途与性能
防尘密封用于防止污染物混入液压系统和密封系统。
二.材质
丁腈橡胶(NBR)、氟橡胶(FKM),骨架为冷轧钢板。
三.工况条件
往复速度:≤1m/s
使用温度:-35~+200℃
工作介质:液压油、汽、水。
四. 设计标准
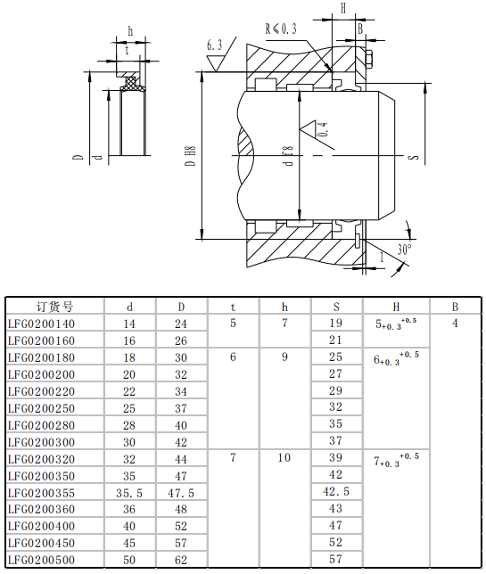
沟槽及产品尺寸,公差等符合NOK公司DKB系列标准。
五.标注方法
防尘密封用订货号来注明,采用氟橡胶(FKM)时需在后面加注"-F"。
杆径为50mm时的LFG01 防尘密封,标注为:LFG0200500。


手机扫描浏览
Copyright © 1999-2025 All Rights Reserved 泸州江阳长江液压技术研究所是一家以液压油缸及液压系统、液压密封、高中端的多路阀、齿轮泵/马达及液压集成控制系统产品的研发、生产、销售为一体的公司。