长江液压件_泸州液压油缸_液压密封_液压厂家-泸州江阳长江液压技术研究所官网欢迎您!
一. 用途与性能
用于滑动轴承、关节轴承两侧,防止污染物进入轴承工作面。
二.材质
聚胺脂(PU)材料+金属骨架。
三.工况条件
使用温度:-35~+200℃
工作介质:液压油、润滑脂、水。
四. 设计标准
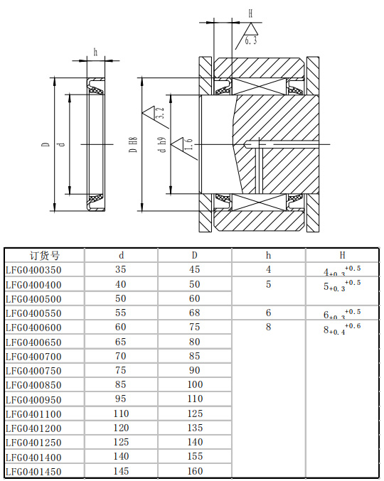
沟槽及产品尺寸,公差等符合NOK公司LBI系列防尘密封标准。
五.标注方法
防尘密封用订货号来注明。
杆径为50mm时的LFG04 防尘密封,标注为:LFG0400500。


手机扫描浏览
Copyright © 1999-2025 All Rights Reserved 泸州江阳长江液压技术研究所是一家以液压油缸及液压系统、液压密封、高中端的多路阀、齿轮泵/马达及液压集成控制系统产品的研发、生产、销售为一体的公司。